|
|
|
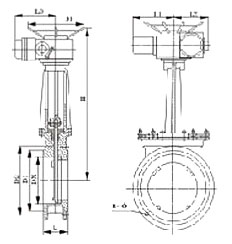
| PZ973(H/F/X)-(0.6/1.0/1.6)電動對夾式刀形閘閥 |
| 產品型號:pz973a |
|
|
主要外形及連接尺寸(mm):
|
公稱壓力
|
DN
|
L
|
D1
|
D2
|
H
|
D0
|
L0
|
L1
|
L2
|
N-Φ
|
電裝型號
|
|
0.6
MPa
|
50
|
43
|
90
|
110
|
600
|
125
|
215
|
318
|
197
|
4-M12
|
DZ10
|
|
65
|
46
|
110
|
130
|
670
|
125
|
215
|
318
|
197
|
4-M12
|
DZ10
|
|
80
|
46
|
125
|
150
|
680
|
125
|
215
|
318
|
197
|
4-M16
|
DZ10
|
|
100
|
52
|
145
|
170
|
700
|
125
|
215
|
318
|
197
|
4-M16
|
DZ10
|
|
125
|
56
|
175
|
200
|
720
|
125
|
215
|
318
|
197
|
8-M16
|
DZ10
|
|
150
|
56
|
200
|
225
|
790
|
125
|
215
|
318
|
197
|
8-M16
|
DZ10
|
|
200
|
60
|
255
|
280
|
850
|
125
|
215
|
363
|
197
|
8-M16
|
DZ15
|
|
250
|
68
|
310
|
335
|
1100
|
125
|
215
|
363
|
197
|
12-M16
|
DZ20
|
|
300
|
78
|
362
|
395
|
1180
|
125
|
215
|
363
|
197
|
12-M20
|
DZ20
|
|
350
|
78
|
412
|
445
|
1280
|
125
|
215
|
363
|
197
|
12-M20
|
DZ30
|
|
400
|
102
|
462
|
495
|
1460
|
125
|
215
|
363
|
197
|
16-M20
|
DZ45
|
|
450
|
114
|
518
|
550
|
1600
|
235
|
240
|
437
|
277
|
16-M20
|
DZ45
|
|
500
|
127
|
568
|
600
|
1800
|
235
|
240
|
437
|
277
|
16-M20
|
DZ45
|
|
600
|
154
|
670
|
705
|
2100
|
235
|
240
|
437
|
277
|
20-M22
|
DZ60
|
|
700
|
165
|
775
|
810
|
2300
|
260
|
274
|
526
|
283
|
24-M22
|
DZ90
|
|
800
|
190
|
880
|
920
|
2500
|
260
|
274
|
526
|
283
|
24-M27
|
DZ120
|
|
900
|
203
|
980
|
1020
|
2700
|
295
|
319
|
554
|
309
|
27-M27
|
DZ180
|
|
1000
|
216
|
1080
|
1120
|
2900
|
295
|
319
|
554
|
309
|
28-M27
|
DZ250
|
|
1200
|
254
|
1295
|
1340
|
3400
|
295
|
319
|
554
|
309
|
32-M30
|
DZ250
|
|
1.0
MPa
|
50
|
43
|
160
|
125
|
600
|
125
|
215
|
318
|
197
|
4-M16
|
DZ10
|
|
65
|
46
|
120
|
145
|
670
|
125
|
215
|
318
|
197
|
4-M16
|
DZ10
|
|
80
|
46
|
135
|
160
|
680
|
125
|
215
|
318
|
197
|
4-M16
|
DZ10
|
|
100
|
52
|
155
|
180
|
700
|
125
|
215
|
318
|
197
|
8-M16
|
DZ10
|
|
125
|
56
|
185
|
210
|
720
|
125
|
215
|
318
|
197
|
8-M16
|
DZ10
|
|
150
|
56
|
210
|
240
|
790
|
125
|
215
|
318
|
197
|
8-M20
|
DZ10
|
|
200
|
60
|
265
|
295
|
850
|
125
|
215
|
363
|
197
|
8-M20
|
DZ15
|
|
250
|
68
|
320
|
350
|
1100
|
125
|
215
|
363
|
197
|
12-M20
|
DZ20
|
|
300
|
78
|
368
|
400
|
1180
|
125
|
215
|
363
|
197
|
12-M20
|
DZ20
|
|
350
|
78
|
428
|
460
|
1280
|
125
|
215
|
363
|
197
|
16-M20
|
DZ30
|
|
400
|
102
|
482
|
515
|
1460
|
235
|
240
|
437
|
277
|
16-M22
|
DZ45
|
|
450
|
114
|
532
|
565
|
1600
|
235
|
240
|
437
|
277
|
20-M22
|
DZ45
|
|
500
|
127
|
585
|
620
|
1800
|
235
|
240
|
437
|
277
|
20-M22
|
DZ60
|
|
600
|
154
|
685
|
725
|
2100
|
260
|
274
|
526
|
283
|
20-M27
|
DZ90
|
|
700
|
165
|
800
|
840
|
2300
|
260
|
274
|
526
|
283
|
24-M27
|
DZ120
|
|
800
|
190
|
898
|
950
|
2500
|
295
|
319
|
554
|
309
|
24-M30
|
DZ180
|
|
900
|
203
|
1005
|
1050
|
2700
|
295
|
319
|
554
|
309
|
28-M30
|
DZ180
|
|
1000
|
216
|
1115
|
1160
|
2900
|
295
|
319
|
554
|
309
|
28-M30
|
DZ250
|
|
1200
|
254
|
1325
|
1380
|
3400
|
295
|
319
|
554
|
309
|
32-M36
|
DZ250
|
|
|
|
|